Mechanische Schließsysteme
Ganzheitliche Sicherheitstechnik für Ihr Zuhause. Bereits mit kleinen Maßnahmen erhöhen Sie Ihren Einbruchschutz. Lassen Sie sich jetzt vom Experten beraten!
Mechanische Schließanlagen für
private Haushalte und Unternehmen
Mechanische Schließanlagen bieten eine zuverlässige und sichere Lösung für den Schutz von Gebäuden und wertvollen Einrichtungen. Mit individuell anpassbaren Schließsystemen ermöglichen sie eine präzise Kontrolle über Zugangsrechte und erhöhen die Sicherheit auf effektive Weise. Ideal für Unternehmen und private Haushalte, bieten diese Systeme höchste Flexibilität und eine lange Lebensdauer.
Mit den mechanischen Schließsystemen von DOM erhalten Sie hohe Qualität und Sicherheit für Ihr Geäude. Lassen Sie sich von uns beraten.
JETZT BERATEN LASSEN!
Ganz einfach per Videocall über Whatsapp, telefonisch oder schreiben Sie uns und Sie erhalten von uns ein individuelles Angebot! Wir freuen uns auf Ihre Anfrage!
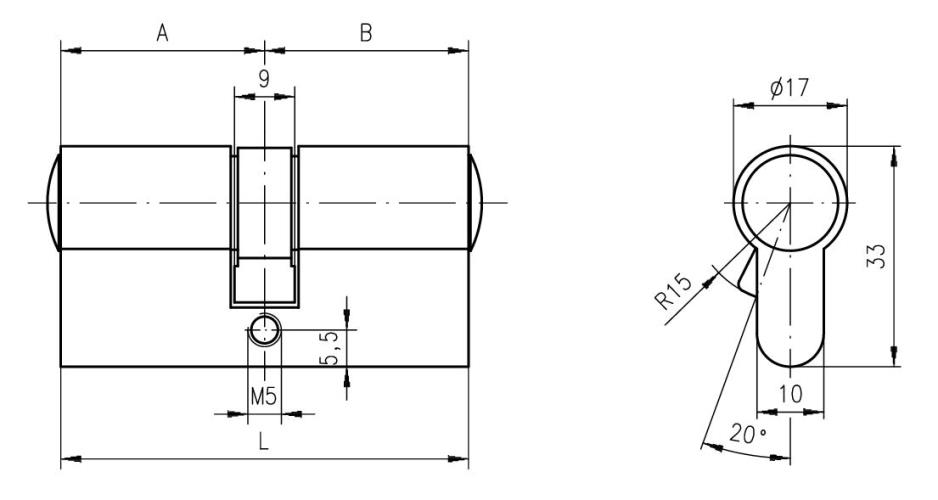
DOM RS Sirius Doppelzylinder
Der Schlüssel ist mit einem eingebauten Kopierschutz versehen, um sicherzustellen, dass er nur von professionellen Schlüsseldiensten dupliziert werden kann. Der rs Sirius ist als Schließanlage konzipiert und eignet sich hervorragend für den Einsatz in komplexen Installationen. Nutzen Sie die Leistungsfähigkeit von Sirius für alle Ihre Sicherheitsanforderungen.
Eigenschaften & Vorteile
- Patentschutz bis 2043
- Sicherheit und Vertrauen: Hervorragende Einbruchsicherung durch hochgradigen Bohr- und Ziehschutz
- Investition mit Sicherheit: Der Sirius verfügt über einen langjährigen Patentschutz
- Komplexität zugänglich gemacht: gut gerüstet für den Einsatz in komplexen Schließanlagen
- Preis-Leistungs-Verhältnis: ein hochwertiges Produkt mit hoher Stückzahl zu einem attraktiven Preis
- Flexibel: mit langem Schlüsselhals für optimale Handhabung
- Hochtechnischer Schlüsselkopierschutz mit ‚Starline‘
DOM ix Teco Doppelzylinder
Eigenschaften & Vorteile
- Erhältlich mit 360°-Freilauffunktion (333FRL).
- Bei Bedarf auch abschließbar, wenn der Schlüssel von einer Seite steckt (333T).
- Lässt sich in alle DOM-Schließsysteme integrieren.
- Optional: Seewasserbeständige Ausführung.
- Ausgezeichnetes Handling: Durch das verlängerte Schlüsselblatt können Sicherheitsbeschläge bequem verwendet werden
- Registrierungskarte im Lieferumfang enthalten
- Kombination zur Elektronik über ClipTag
- Modulare Bauweise
Optimaler Abreiß- und Ziehschutz (optional)
